概述 |
特点 |
|
|
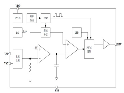
AH8731是一款高精度降压型大功率LED恒流驱动芯片。适用于输入电压100V以内的大功率LED恒流驱动电源 。
专利的高端电流检测 、固定频率、电流模PWM控制方式,具有优异的线性调整率和负载调整率。
芯片采用的特有恒流控制方式 ,使得LED输出电流精度达到±3%以内。
芯片内部集成的抖频功能可降低EMI成本 。
内置环路补偿与斜坡补偿,无需外部补偿,应用设计简单。
芯片典型工作频率约200KHz。
采用SOT23-5封装 。 |
高端电流检测 输出电流:小于3a 输入电压:6~100V LED均值电流控制:恒流效果好 LED输出电流精度:±3% 高效率:最高可达95%以上 电流模PWM控制 固定工作频率 抖频功能 内置环路补偿、斜坡补偿
芯片供电欠压/过压保护 |
LED射灯 、路灯及其它LED照明
推荐阅读:
本文标签:#75v转5v3A#75v转5v#60v转5v#电源模块
版权说明:如非注明,本站文章均为 深圳市PA捕鱼科技有限公司-220v转12v|220v转5v|电源模块|升降压芯片 原创,转载请注明出处和附带本文链接。