0755-33653221
欢迎光临深圳市PA捕鱼科技官网

在线
客服

在线客服服务时间:9:00-22:00

技术
热线

131-4842-9910
7*12小时客服服务热线

顶部
当前位置:网站首页 > 产品中心 > 充电管理 正文 充电管理

双节锂聚合物电池充电管理芯片

PA捕鱼科技 2023-03-17 14:47:24 充电管理 756 ℃ 2 评论

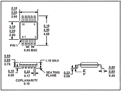
双节锂聚合物电池充电管理芯片为开关型单节或两节锂离子/锂聚合物电池充电管理芯片, 常合于便携式设备的充电管理应用。 双节充电管理芯片集高精度电压和电流调节器、预充 、 充电状态指示和充电截止等功能于一体,采用 MSOP-10封装 。深圳PA捕鱼科技

双节锂聚合物电池充电管理芯片,第1张


双节充电管理芯片对电池充电分为三个阶段:预充( Pre-charge  )、 恒流(CC/Constant Current)、 恒压 (CV/Constant V oltage) 过程 ,恒流充电电流通过外部电阻决定, 恒压充电电压可通过外部电阻微调。 AH8009集成过压及短路保护,确保充电芯片安全工作。双节充电管理芯片集成智能电池检测功能及超时错误恢复功能 ,方便用户使用 。

 

双节锂聚合物电池充电管理芯片,第2张

双节充电管理芯片特性简述

l  用于单节或两节锂离子效率电流模 PWM 充电器

l  0.5%的充电电压控制精度

l  可编程充电电流控制

l  恒压充电电压值可通过外接

l  智能电池检测

l  软启动

l  开关频率 600KHz

l  LED  充电状态指示

l  短路检测,保护

l  电池充电过压保护

l  输入管脚最大耐压 20V 

l  充电截止时间外置电容可调

l  工作环境温度范围:-20℃

l  MSOP-10 封装




推荐阅读:

2015移动电源坏掉怎么办

9V电池能充电吗?

dc-dc,dcdc电源模块

本文标签:#双节充电管理芯片#双节充电芯片#充电ic#充电管理芯片#充电芯片

版权说明:如非注明,本站文章均为 深圳市PA捕鱼科技有限公司-220v转12v|220v转5v|电源模块|升降压芯片 原创,转载请注明出处和附带本文链接

深圳市PA捕鱼科技提供:220v转12v、220v转5v芯片、电源模块、 升降压芯片、无线发射ic、PWM调光芯片、收音ic及电路图,专业 的DCDC电源方案商,如需咨询请联系深圳市PA捕鱼电子

在线
客服

在线客服服务时间:9:00-22:00

技术
热线

131-4842-9910
7*12小时客服服务热线

顶部
PA捕鱼



  • 网站地图